| SAE J617 Flywheel housing Connection Dimensions (mm) | |||||
| | Dim C | Dim D | Dim L | Dim BNumber of thread holes | Thread specification |
| SAE 18 | 571.50 | 542.92 | 15.7 | 6 | 5/8-11 |
| SAE 14 | 466.72 | 438.15 | 25.4 | 8 | 1/2-13 |
| SAE 11.5 | 352.42 | 333.38 | 39.6 | 8 | 3/8-16 |
| SAE 10 | 314.32 | 295.28 | 53.8 | 8 | 3/8-16 |
| | |||||
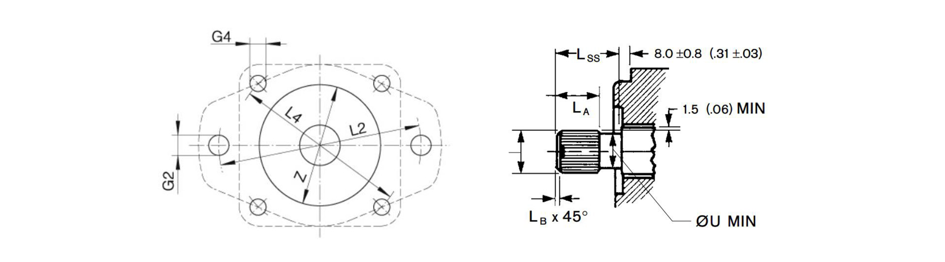
| | Dim Z | L2 | G2 | L4 | G4 |
| SAE A | 82.55 | 106.4 | 11.13 | —— | —— |
| SAE B | 101.6 | 146 | 14.27 | 127 | 14.27 |
| SAE C | 127 | 181 | 17.27 | 162 | 14.27 |
| SAE D | 152.4 | 228.6 | 20.62 | 228.6 | 20.62 |
| SAE E | 165.1 | 317.5 | 26.97 | 317.5 | 20.62 |
| SAE J744 Hydraulic pump spline shaft Connection size (mm) | ||||
| Splined shaft | U | LA | Lss1 | LB |
| 9T 20/40 DP | 9.40 | 5.1 | 19 | 1.5 |
| 9T 16/32 DP | 11.81 | 7.6 | 24 | 1.5 |
| 13T 16/32 DP | 18.16 | 10.2 | 33 | 1.5 |
| 15T 16/32 DP | 21.34 | 12.7 | 38 | 1.5 |
| 14T 12/24 DP | 26.42 | 15.2 | 48 | 2.3 |
| 17T 12/24 DP | 32.77 | 17.8 | 54 | 2.3 |
| 13T 8/16 DP | 36.63 | 20.3 | 67 | 2.3 |
