| Availability: | |
|---|---|
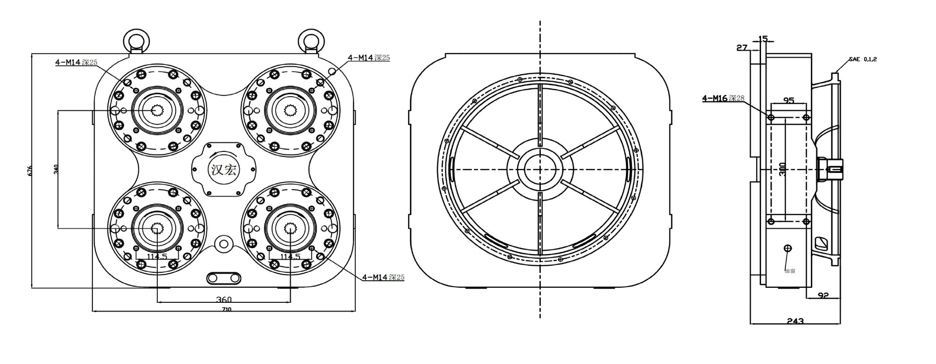
The 700 kW One Input Four Outputs Transfer Case is a robust and high-capacity hydraulic solution designed for the most demanding industrial applications. This transfer case efficiently distributes power to multiple hydraulic systems, significantly enhancing operational productivity and versatility.
| Transfer case parameter table | |
| Input power P | 700KW |
| Single pump power | 330KW |
| Single pump maximum torque T | 1800Nm |
| Maximum input speed n | 2800min |
| Speed ratio | 0.7-1.4 |
| Approximate weight | 340kg |
| Connection type | |
| Input connection optional | Diesel engine/motor/hydraulic motor, etc |
| Connection type is optional | Elastic coupling/clutch/cardan shaft/direct connection, etc |
| Output connection optional | Hydraulic pump/air compressor/generator, etc |

Input Power: Capable of handling an impressive input power of 700 kW, making it suitable for heavy-duty hydraulic tasks and applications.
Four Output Ports: Designed with four output connections, allowing for the simultaneous operation of multiple hydraulic pumps or systems, which maximizes efficiency and flexibility.
Durable Construction: Constructed from high-quality materials to withstand harsh working conditions, ensuring long-lasting reliability and performance.
Versatile Applications: Suitable for various industries, including agricultural machinery, construction machinery, petroleum machinery, coal mining machinery, and military equipment, where efficient hydraulic power distribution is crucial.
Optimized Performance: Engineered for stable and consistent power delivery, this transfer case is an essential component for hydraulic systems requiring high efficiency and dependability.
