| Availability: | |
|---|---|
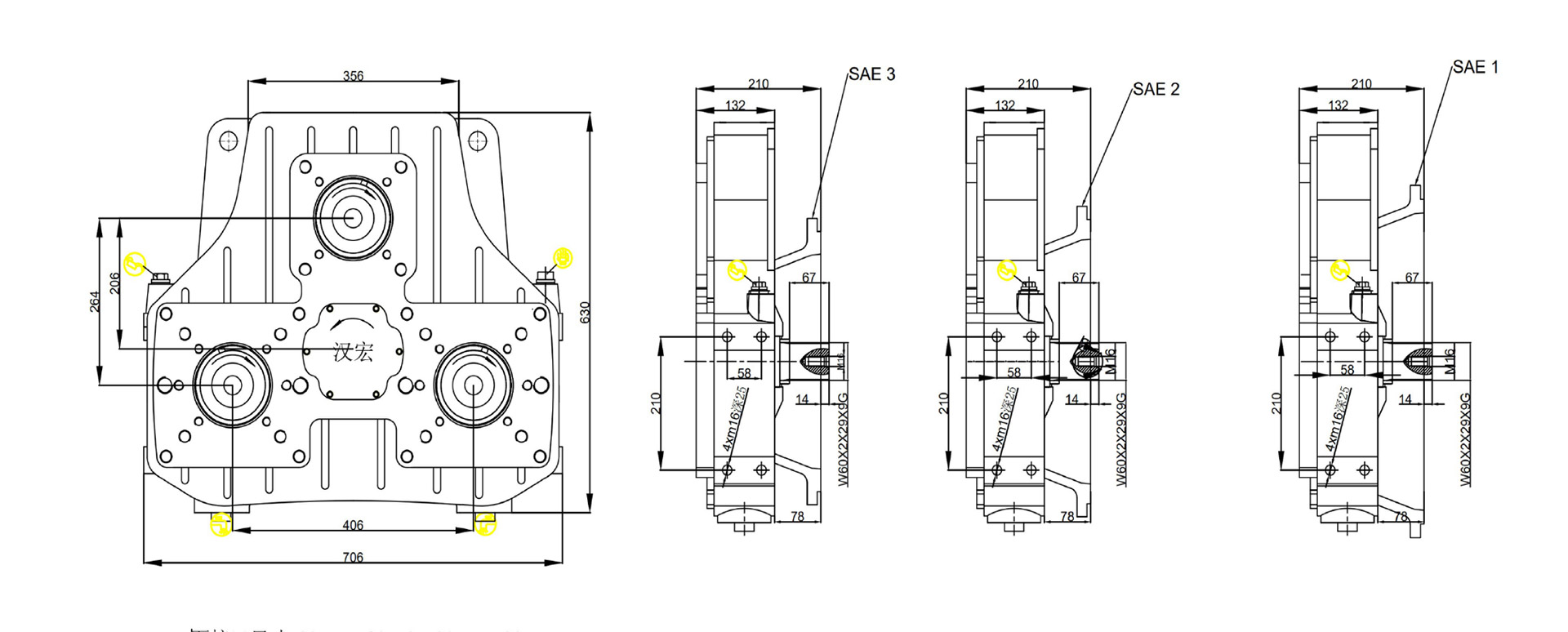
The 530 kW One Input Three Outputs Transfer Case is a high-capacity hydraulic solution engineered for demanding industrial applications. This transfer case efficiently manages and distributes power to multiple hydraulic systems, maximizing productivity and versatility in various operations.
| Transfer case parameter table | |
| Input power P | 530KW |
| Single pump power | 280KW |
| Single pump maximum torque T | 1500Nm |
| Maximum input speed n | 3000min |
| Speed ratio | 0.7-1.4 |
| Approximate weight | 203kg |
| Connection type | |
| Input connection optional | Diesel engine/motor/hydraulic motor, etc |
| Connection type is optional | Elastic coupling/clutch/cardan shaft/direct connection, etc |
| Output connection optional | Hydraulic pump/air compressor/generator, etc |

Input Power: Designed to handle an impressive input power of 530 kW, making it suitable for the most rigorous hydraulic tasks.
Three Output Ports: Equipped with three output connections, enabling the simultaneous operation of multiple hydraulic pumps or systems, which enhances operational efficiency.
Robust Construction: Built from high-quality materials, this transfer case is designed to withstand harsh working environments, ensuring durability and long-lasting performance.
Versatile Applications: Suitable for various industries, including agricultural machinery, construction machinery, petroleum machinery, coal mining machinery, and military equipment, where efficient hydraulic power distribution is crucial.
Optimized Performance: Engineered for stable and reliable power delivery, this transfer case is an essential component for hydraulic systems requiring high efficiency and dependability.
